Dover Road
Renovation & Addition
Greensboro, NC
I was worried when I decided to start working on my own that I would miss being in an office, especially the collaboration, getting into the weeds over design details, and receiving critical feedback from colleagues. Who knows what would happen when left to my own devices…Luckily, for my first solo project I landed a great client that also happened to work in the design industry.
Project Focus
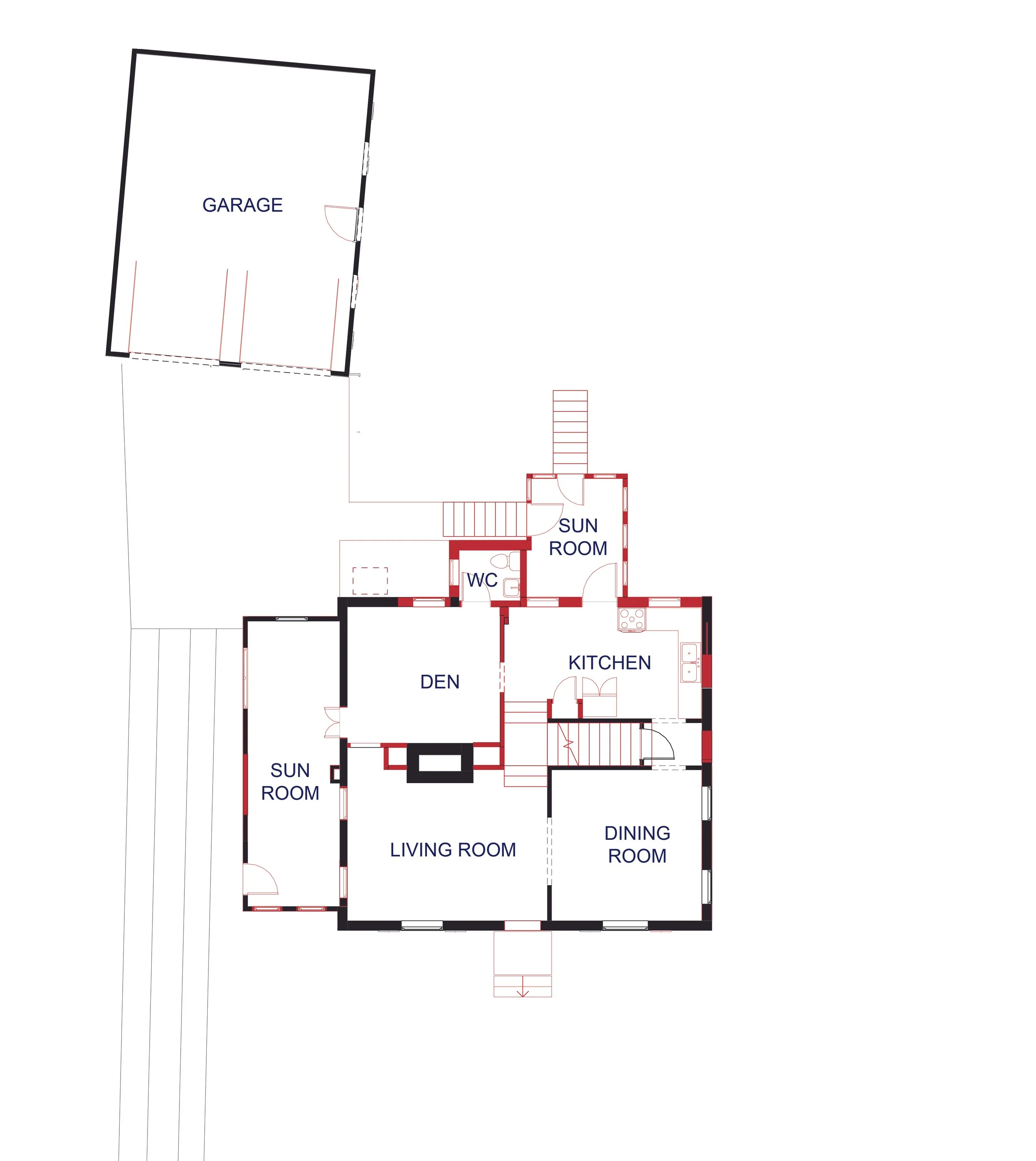
First-floor reorganization for improved flow
New kitchen, mudroom, scullery, and covered porch
Additions designed to feel inherent to the home
Prepared for future studio addition in detached garage
Sarah, founder of the women’s clothing line Marie Oliver, and her husband, Peter, had recently purchased a new home and were expecting their first child. The house needed greater clarity, function, and space for daily life. What began as a kitchen update evolved into a coordinated first-floor renovation and the addition of a kitchen, mudroom, scullery, and covered porch, with a future studio addition planned for the detached garage.
The design clarified circulation, strengthened connections between spaces, and integrated new work with restraint so it feels cohesive with the original home. Decisions were made deliberately to enhance comfort, longevity, and livability.
The project was deeply collaborative; Sarah and I spent many hours during COVID on Zoom refining and revising the design to suit their growing family. The process was only strengthened by a thoughtful team, including contractor Erica Worth and interior designer Kara Cox.
Above: Existing Stair & Demolition
Design Process
Site Plan
Front Elevation

